ABS DRŽIAK NA TYČE
Kód: PG-2828024
Variant: BLACK ROD HOLDER
Skladom u dodávateľa
| PG-2828024
Môžeme doručiť do:
27.04.2026
4,60 €
/ ks
3,74 €
bez DPH
Variant: WHITE ROD HOLDER
Skladom u dodávateľa
| PG-2828023
Môžeme doručiť do:
27.04.2026
6 €
/ ks
4,88 €
bez DPH
Podrobný popis
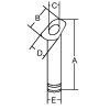
Držiak prútov ABS s uzáverom bez odtokového otvoru. Sklon 30°.Dodatočné parametre
| Kategória: | Držiaky udice |
|---|---|
| Objem: | 2,465 dm3 |
Buďte prvý, kto napíše príspevok k tejto položke.
Pridať hodnotenie
